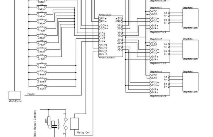
Breakout Board CNC 4 Axis berbasis USB ini merupakan solusi kontrol presisi tinggi untuk mesin milling, router, laser, dan plasma Anda. Dirancang khusus untuk bekerja dengan software Mach3, board ini menawarkan antarmuka yang stabil dan andal untuk mengendalikan hingga empat sumbu secara simultan.
| Fitur Utama | Deskripsi |
|---|---|
| Konektivitas | Antarmuka USB untuk koneksi yang mudah dan cepat ke komputer. |
| Jumlah Sumbu | Mendukung 4-axis linkage untuk mengontrol empat driver motor stepper atau servo. |
| Frekuensi Denyut | Maksimum 100 KHz, ideal untuk motor stepper dan servo berkecepatan tinggi. |
| Input & Output | Termasuk input darurat (E-stop), limit switch, probe tool otomatis, dan port untuk electronic handwheel. |
| Kontrol Spindle | Output 0-10V untuk mengontrol kecepatan motor spindle secara presisi melalui software Mach3. |
| Keluaran Relay | 4 channel output relay terisolasi untuk mengontrol spindle, pompa coolant, dan perangkat lainnya. |
| Daya | Memerlukan catu daya eksternal 24V DC untuk isolasi dan stabilitas sistem yang optimal. |
| Paket Penjualan | Termasuk 1x Board Controller, 1x Kabel USB, dan 1x CD berisi software driver. |
Board telah melalui Quality Control (QC) ketat di pabrik dan dijamin 100% baru. Dimensi board: 8 x 7.7 cm.
Definisi
- Breakout Board: Papan antarmuka yang berfungsi sebagai perantara antara komputer (melalui USB) dengan driver motor dan berbagai sensor pada mesin CNC. Board ini ‘menerjemahkan’ sinyal dari software menjadi perintah yang dapat dikenali oleh hardware mesin.
- Limit Switch: Sensor yang dipasang pada mesin CNC untuk mendeteksi batas gerakan maksimal setiap sumbu, mencegah tabrakan dan kerusakan mekanik.
- Output 0-10V: Sinyal analog yang digunakan untuk mengatur kecepatan motor spindle secara halus dan linear, dari 0 Volt (berhenti) hingga 10 Volt (kecepatan maksimum).
- QC (Quality Control): Prosedur pemeriksaan dan pengujian kualitas produk yang dilakukan di pabrik sebelum dikirimkan kepada konsumen.
Informasi Lebih Lanjut dan Pembelian klik di sini.







